Anasayfa
Kurumsal
Hakkımızda
Misyon & Vizyon
Üretim Parkuru
Sertifikalar
Ürünler
Mekanik Salmastralar
Döner Başlıklar
Kartuş Salmastralar
Yumuşak Salmastralar
Özel Salmastralar
PTFE Ürünler
Kartex Tip Salmastralar
OEM Salmastralar
Karbon & Silisyum Ringler, Burçlar
Karıştırıcı Mikser Tip Samastralar
Klingrit Conta Çeşitleri
E-Katalog
Blog
İletişim
Mekanik Salmastralar
Ürünler
Mekanik Salmastralar
Döner Başlıklar
Kartuş Salmastralar
Yumuşak Salmastralar
Özel Salmastralar
PTFE Ürünler
Kartex Tip Salmastralar
Oem Salmastralar
Karbon Slisyum Ringler, Burçlar
Karıştırıcı Mikser Tip Salmastralar
Klingrit Conta Çeşitleri
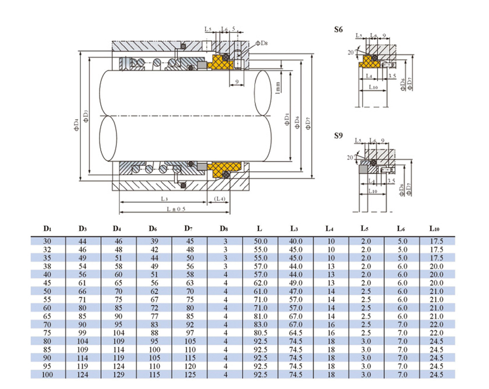
STM 10U Mekanik Salmastra
Sıcaklık
-20 - 150 C
Basınç
0,8 Mpa
Çevresel Hız
13 m/s
Teknik JPG
Teklif / İletişim
Yağ, su, atık su, genel korozif sıvılar için
Tasarım Özellikleri:
İçten monte tekli yüzey, geniş yaylı, balansız yapı ve iki uçtan kapalı sarım yay tahrikli.
Bu mekanik salmastra genel uygulamlar için tasarlanmış ve standartizasyon ideal uygundur.
İhtiyacınız Olan Çözüm İçin Bize Ulaşın!
İletişim
×
Scroll